首页
电动缸
六自由度平台
直线滑台模组
压机
合作品牌
工程案例
服务理念
新闻资讯
关于通又盛
助力智能装备工业4.0
400-9977-398
首页
PB系列
PB系列
+
PA系列
PB系列
PC系列
PD系列
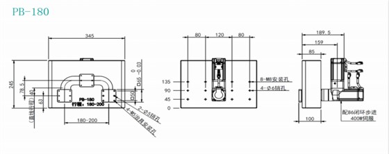
PB180 ppu凸轮机械手