高精密电动缸源头厂家
定位精度0.005mm以内 负载达100T
助力智能装备工业4.0
400-9977-398
首页
电动缸
多自由度平台
直线滑台模组
伺服压机
合作品牌
工程案例
服务支持
新闻资讯
关于通又盛
PB系列
您的当前位置:
首页
>
PPU 凸轮机械手
>
PB系列
PPU 凸轮机械手
product center
电动缸
直连式电动缸
折返式电动缸
高低温电动缸
多级电动缸
防爆电动缸
防水电动缸
耐腐蚀电动缸
多自由度平台
二自由度
三自由度
四自由度
六自由度
仿真模拟平台
3D/4D/5D动感影院
G力动感座椅
仿真赛车
汽车模拟平台
飞行模拟平台
船舰模拟测试平台
地震小屋
直播座椅
伺服升降平台
伺服压机
四柱型压机
C型伺服压机
桌面式伺服压机
伺服液压机
直线滑台模组
TH轨道内嵌式直线模组
TS滚珠螺杆驱动直线模组
TB同步带驱动直线模组
全密封滚珠螺杆驱动模组
TM齿轮齿条直线模组
TK全钢直线模组
直角坐标机器人 XY系列
直线电机
轻载直线电机/滑台
重载直线电机/滑台
机械手
助力机械手
桁架机械手
真空吸吊机
机器人
第七轴机器人
协作机器人
PPU 凸轮机械手
PA系列
PB系列
PC系列
PD系列
服务热线:
400-9977-398
1
/1
上一张
下一张
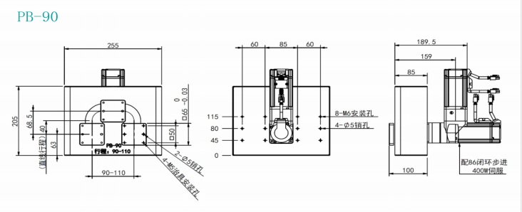
PB90 ppu凸轮机械手
介绍:
咨询热线
400-9977-398
在线咨询
产品详情
【本文标签】:
伺服电动缸
六自由度平台
滑台模组
伺服压机
仿真模拟平台
我要定制:
PB90 ppu凸轮机械手
*
联系人:
*
手机:
公司名称:
邮箱:
电话:
地址:
需求备注:
*
验证码:
相关产品
/ Relevant product
PB90 ppu凸轮机械手
查看详情
PB130 ppu凸轮机械手
查看详情
PB180 ppu凸轮机械手
查看详情
400-9977-398